Menu
Cerca
Personal menu
IT
EN
IT
IT
EN
Cerca
Close
Tutti
B.C.S.
CATERPILLAR
CASE
CELLI
CNH
CONCORRENZA
DONALDSON
ESTI
FALC
GOLDONI
GRAMEGNA
HIFI
LOMBARDINI
NEW HOLLAND/FIAT
PASQUALI
PETRONAS ARBOR
SAME
SKF
TORTELLA
UFI
AKROS
NBB
FAG
NTN
DPI
SNR
KSM
TIMKEN
MAB
SICMA
MASCHIO GASPARDO
MURATORI
MERITANO
CNH
PASBO
VALPADANA
BARBIERI
BERTOLINI
ROTAVATOR
NARDI
GRIBALDI E SALVIA
GHERARDI
GALLIGNANI
GALFRE
CARRARO
BENASSI
ABBRIATA
BRUMITAL
PERKINS
TRELLEBORG
INA
FORIGO
MASSEY FERGUSON
BOBCAT
FACMA
NIBBI
SEP
MALETTI
COMER
MCB
*** tutte le marche
Cerca
Profilo
Profilo
Close
Registrati
Accesso
Confronta i prodotti
Lista dei desideri
(0)
Shopping cart
Chiudi
0
€0,00 IVA inclusa
Non ci sono articoli nel tuo carrello
Prodotti
Menu
Close
Chi siamo
Progetti
MARCHI
B.C.S.
CATERPILLAR
CASE
CELLI
CNH
CONCORRENZA
DONALDSON
ESTI
FALC
GOLDONI
GRAMEGNA
HIFI
LOMBARDINI
NEW HOLLAND/FIAT
PASQUALI
PETRONAS ARBOR
SAME
SKF
TORTELLA
CONTATTACI
infoline +39 0964 384 499
CATEGORIE
Back
RICAMBI
Back
COMPONENTI OLEODINAMICI
Back
NIPLES GAS M+M
NIPLES METRICO
NIPLES M GAS+ F.GIR DIN
TAPPI
PASSAPARETI GAS
MANICOTTI GAS
PROLUNGHE GAS
RIDUZIONE
PASSAPARETE JIC
VITI FORATE
ANELLI TAGLIENTI
INNESTI RAPIDI A FACCIA PIANA
View All
RIMORCHI E COMPONENTI VARI
Back
SNODI
PISTOLE TRAVASO CARBURANTE
MOLLE A GAS
FORCELLE ED ACCESSORI
TUBO SCARICO MOTORE
PIANTONE
CHIOCCIOLE, SFERE E CHIAVISTELLI
CHIUSURE
GOLFARI
CERNIERE PER SPONDE A BANDIERA
OCCHIONI
PERNI CON MANIGLIA
View All
ATTACCHI A TRE PUNTI
Back
MANICOTTI CON TENDITORE ED ACCESSORI
SUPPORTI PER BRACCI INFERIORI
BRACCI DI SOLLEVAMENTO ED ACCESSORI
TERZO PUNTO MANUALE E ACCESSORI
CATENE IMBRIGLIAMENTO E ACCESSORI
GANCI RAPIDI E ROTULE
MANICOTTI CON CATENE
PERNI ATTACCHI ATTREZZI
TERZI PUNTI IDRAULICI E ACCESSORI
FALCIATRICI E BARRE FALCIANTI
Back
GASPARDO
B.C.S.
NIBBI
BEDOGNI
BERTOLINI
GRIBALDI E SALVIA
SEP
RICAMBI UNIVERSALI
TRASMISSIONI CARDANICHE
Back
CROCIERE AGRICOLE
CROCIERE INDUSTRIALE
ANELLI DI FRIZIONE
PULSANTI
BUSSOLE SCANALATE
FRIZIONI CARDANICHE E RICAMBI
PRESE DI FORZA
RIDUZIONI PRESE DI FORZA
FORCELLE PER TUBI INTERNI
GIUNTI CARDANICI
MASCHI SCANALATI CUNA
FORCELLA PER TUBI ESTERNI
View All
LAVORAZIONE DEL TERRENO
Back
COLTELLI TRINCIA
MAZZE TRINCIA
ZAPPETTE
VANGHE
RICAMBI VANGATRICE GRAMEGNA
RICAMBI PER ARATRO NARDI
RICAMBI FRESATRICE TORTELLA
RICAMBI VANGATRICE CELLI
RICAMBI FRESATRICE CELLI
RICAMBI VANGATRICE TORTELLA
FILTRI
Back
FILTRO OLIO IDRAULICO
FILTRO ARIA
FILTRO ACQUA/GASOLIO
FILTRO GASOLIO
FILTRO OLIO MOTORE
LUBRIFICAZIONE
Back
ACCESSORI PER LA LUBRIFICAZIONE
SAE 80W-90
GRASSO
SAE 20W-30
SAE 10W-30
SAE 15W-40
SAE 10W
ISO VG 46
ISO VG 68
SAE 40
SAE 85W-140
TRASMISSIONE DEL MOTO
Back
FALSE MAGLIE PER CATENE ASA
CINGHIE "A"
CINGHIE "B"
CINGHIE "C"
CINGHIE "Z"
CINGHIE "SPA"
CINGHIE "SPB"
CINGHIE TRAPEZOIDALI DENTATE "A"
CINGHIE TRAPEZOIDALI DENTATE "B"
CINGHIE "SPZ"
PIGNONI SEMPLICI
CORONE SEMPLICI
View All
MOVIMENTO TERRA
Back
BOCCOLE CEMENTATE
SPESSORI
PUNTE
DENTI DA BULLONARE ED ACCESSORI
RICAMBI PER PUNTE
PORTAPUNTE A SALDARE
GANCI SOLLEVAMENTO
PARAGRASSI
PARAOLI E GUARNIZIONI
Back
PARAOLI
OR
ANTIVIBRANTI
BALSELE
BFR
AGI
AGE
K29
CH
SM
EGR
IGR
View All
BULLONERIA
Back
GHIERE FILETTATE
VITI TESTA SVASATA PIANA ESAGONO INCASSATO
PRIGIONIERI
ROSETTE DI SICUREZZA
BARRE FILETTATE
GHIERE FILETTATE AUTOBLOCCANTI
View All
Prodotti
Back
CATEGORIE
Back
RICAMBI
Back
COMPONENTI OLEODINAMICI
Back
NIPLES GAS M+M
NIPLES METRICO
NIPLES M GAS+ F.GIR DIN
TAPPI
PASSAPARETI GAS
MANICOTTI GAS
PROLUNGHE GAS
RIDUZIONE
PASSAPARETE JIC
VITI FORATE
ANELLI TAGLIENTI
INNESTI RAPIDI A FACCIA PIANA
View All
RIMORCHI E COMPONENTI VARI
Back
SNODI
PISTOLE TRAVASO CARBURANTE
MOLLE A GAS
FORCELLE ED ACCESSORI
TUBO SCARICO MOTORE
PIANTONE
CHIOCCIOLE, SFERE E CHIAVISTELLI
CHIUSURE
GOLFARI
CERNIERE PER SPONDE A BANDIERA
OCCHIONI
PERNI CON MANIGLIA
View All
ATTACCHI A TRE PUNTI
Back
MANICOTTI CON TENDITORE ED ACCESSORI
SUPPORTI PER BRACCI INFERIORI
BRACCI DI SOLLEVAMENTO ED ACCESSORI
TERZO PUNTO MANUALE E ACCESSORI
CATENE IMBRIGLIAMENTO E ACCESSORI
GANCI RAPIDI E ROTULE
MANICOTTI CON CATENE
PERNI ATTACCHI ATTREZZI
TERZI PUNTI IDRAULICI E ACCESSORI
FALCIATRICI E BARRE FALCIANTI
Back
GASPARDO
B.C.S.
NIBBI
BEDOGNI
BERTOLINI
GRIBALDI E SALVIA
SEP
RICAMBI UNIVERSALI
TRASMISSIONI CARDANICHE
Back
CROCIERE AGRICOLE
CROCIERE INDUSTRIALE
ANELLI DI FRIZIONE
PULSANTI
BUSSOLE SCANALATE
FRIZIONI CARDANICHE E RICAMBI
PRESE DI FORZA
RIDUZIONI PRESE DI FORZA
FORCELLE PER TUBI INTERNI
GIUNTI CARDANICI
MASCHI SCANALATI CUNA
FORCELLA PER TUBI ESTERNI
View All
LAVORAZIONE DEL TERRENO
Back
COLTELLI TRINCIA
MAZZE TRINCIA
ZAPPETTE
VANGHE
RICAMBI VANGATRICE GRAMEGNA
RICAMBI PER ARATRO NARDI
RICAMBI FRESATRICE TORTELLA
RICAMBI VANGATRICE CELLI
RICAMBI FRESATRICE CELLI
RICAMBI VANGATRICE TORTELLA
FILTRI
Back
FILTRO OLIO IDRAULICO
FILTRO ARIA
FILTRO ACQUA/GASOLIO
FILTRO GASOLIO
FILTRO OLIO MOTORE
LUBRIFICAZIONE
Back
ACCESSORI PER LA LUBRIFICAZIONE
SAE 80W-90
GRASSO
SAE 20W-30
SAE 10W-30
SAE 15W-40
SAE 10W
ISO VG 46
ISO VG 68
SAE 40
SAE 85W-140
TRASMISSIONE DEL MOTO
Back
FALSE MAGLIE PER CATENE ASA
CINGHIE "A"
CINGHIE "B"
CINGHIE "C"
CINGHIE "Z"
CINGHIE "SPA"
CINGHIE "SPB"
CINGHIE TRAPEZOIDALI DENTATE "A"
CINGHIE TRAPEZOIDALI DENTATE "B"
CINGHIE "SPZ"
PIGNONI SEMPLICI
CORONE SEMPLICI
View All
MOVIMENTO TERRA
Back
BOCCOLE CEMENTATE
SPESSORI
PUNTE
DENTI DA BULLONARE ED ACCESSORI
RICAMBI PER PUNTE
PORTAPUNTE A SALDARE
GANCI SOLLEVAMENTO
PARAGRASSI
PARAOLI E GUARNIZIONI
Back
PARAOLI
OR
ANTIVIBRANTI
BALSELE
BFR
AGI
AGE
K29
CH
SM
EGR
IGR
View All
BULLONERIA
Back
GHIERE FILETTATE
VITI TESTA SVASATA PIANA ESAGONO INCASSATO
PRIGIONIERI
ROSETTE DI SICUREZZA
BARRE FILETTATE
GHIERE FILETTATE AUTOBLOCCANTI
View All
Chi siamo
Progetti
MARCHI
Back
B.C.S.
CATERPILLAR
CASE
CELLI
CNH
CONCORRENZA
DONALDSON
ESTI
FALC
GOLDONI
GRAMEGNA
HIFI
LOMBARDINI
NEW HOLLAND/FIAT
PASQUALI
PETRONAS ARBOR
SAME
SKF
TORTELLA
View All
CONTATTACI
infoline +39 0964 384 499
Home
/
RICAMBI
/
ATTACCHI A TRE PUNTI
/
SUPPORTI PER BRACCI INFERIORI
/
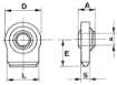
SUPPORTO ROTULA SFERICA PER BRACCI INFERIORI d=28 D=96 H=45
SUPPORTO ROTULA SFERICA PER BRACCI INFERIORI d=28 D=96 H=45
Si tratta dela prima recensione per questo prodotto
Confronta
Cod.:
SUPPO08628
Codice articolo produttore:
202.00.05
Condividi:
Share on Twitter
Share on Facebook
Share on Pinterest
Invia ad un amico
Disponibilità:
Prodotto non disponibile.
€35,56 IVA inclusa
Quantità:
i
h
Acquista
Aggiungi alla lista dei desideri
Spedire a
Seleziona la nazione
Italy
*
Altro
*
Metodo di spedizione
Nome
Consegna stimata
Prezzo
Nessuna opzione di spedizione
Applicare
Recensioni
0 Recensione(i)
0.0
0
Scrivi una recensione
Chiudi
Il prodotto può essere recensito solo dopo l'acquisto
Solo gli utenti registrati possono scrivere recensioni
Titolo della recensione:
*
Testo della recensione:
*
Valutazione:
Pessimo
1
2
3
4
5
Eccellente
Invia recensione
Distanza tra il centro foro e il punto di attacco -
E
65
mm
Diametro esterno -
D
96
mm
Larghezza -
L
70
mm
Categoria
2
Diametro del foro -
d
28.4
mm
Lunghezza del foro -
A
45
mm
Spessore -
S
22
mm
PRODOTTI CORRELATI
Confronta
Aggiungi alla lista dei desideri
SUPPORTO ROTULA SFERICA PER BRACCI INFERIORI d=14 D=46 H=32
SUPPO06344
€12,20 IVA inclusa
Acquista
Confronta
Aggiungi alla lista dei desideri
SUPPORTO ROTULA SFERICA PER BRACCI INFERIORI d=16 D=46 H=20
SUPPO06347
€9,76 IVA inclusa
Acquista
Confronta
Aggiungi alla lista dei desideri
SUPPORTO ROTULA SFERICA PER BRACCI INFERIORI d=19 D=65 H=35
SUPPO06350
€17,69 IVA inclusa
Acquista
Confronta
Aggiungi alla lista dei desideri
SUPPORTO ROTULA SFERICA PER BRACCI INFERIORI d=22 D=76 H=35
SUPPO06349
€24,40 IVA inclusa
Acquista
Confronta
Aggiungi alla lista dei desideri
SUPPORTO ROTULA SFERICA PER BRACCI INFERIORI d=22.1 D=65 H=35
SUPPO06342
€18,30 IVA inclusa
Acquista
Confronta
Aggiungi alla lista dei desideri
SUPPORTO ROTULA SFERICA PER BRACCI INFERIORI d=22/28 D=80 H=45
SUPPO06361
€30,50 IVA inclusa
Acquista
Confronta
Aggiungi alla lista dei desideri
SUPPORTO ROTULA SFERICA PER BRACCI INFERIORI d=25 D=83 H=35
SUPPO02792
€30,84 IVA inclusa
Acquista
Confronta
Aggiungi alla lista dei desideri
SUPPORTO ROTULA SFERICA PER BRACCI INFERIORI d=26 D=76 H=35
SUPPO08626
€18,30 IVA inclusa
Acquista
Confronta
Aggiungi alla lista dei desideri
SUPPORTO ROTULA SFERICA PER BRACCI INFERIORI d=28 D=76 H=35
SUPPO08627
€23,83 IVA inclusa
Acquista
Confronta
Aggiungi alla lista dei desideri
SUPPORTO ROTULA SFERICA PER BRACCI INFERIORI d=28.4 D=80 H=105
SUPPO06341
€18,30 IVA inclusa
Acquista
Confronta
Aggiungi alla lista dei desideri
SUPPORTO ROTULA SFERICA PER BRACCI INFERIORI d=28.4 D=83 H=97
SUPPO02791
€25,00 IVA inclusa
Acquista
Confronta
Aggiungi alla lista dei desideri
SUPPORTO ROTULA SFERICA PER BRACCI INFERIORI d=29 D=80 H=44
SUPPO06356
€27,00 IVA inclusa
Acquista
Confronta
Aggiungi alla lista dei desideri
SUPPORTO ROTULA SFERICA PER BRACCI INFERIORI d=34 D=96 H=45
SUPPO06358
€42,70 IVA inclusa
Acquista
Confronta
Aggiungi alla lista dei desideri
SUPPORTO ROTULA SFERICA PER BRACCI INFERIORI d=37 D=108 H=45
SUPPO06359
€30,50 IVA inclusa
Acquista
Confronta
Aggiungi alla lista dei desideri
SUPPORTO ROTULA SFERICA PER BRACCI INFERIORI d=38 D=108 H=45
SUPPO06360
€31,64 IVA inclusa
Acquista